En vedette
Dernières nouvelles
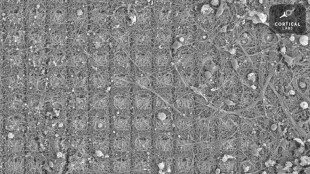
Des neurones doués de sensations ont appris à jouer à un jeu vidéo
Des neurones cultivés dans une boîte de Petri sont capables d'apprendre à jouer à Pong, le grand classique des jeux vidéo, faisant ainsi preuve d'un "comportement intelligent et doué de sensations", selon des chercheurs en neurosciences australiens.
Via Transilvanica, le GR qui ramène à la vie des villages roumains
L'idée était un peu folle: construire un sentier de 1.400 km, traversant la Roumanie du nord au sud. Désormais sortie de terre, la Via Transilvanica donne un second souffle à des villages dépeuplés.
Chez Starbucks, Amazon ou Apple, de jeunes syndicats face à la résistance de leurs patrons
Des salariés de Starbucks, Amazon ou Apple ont créé la surprise ces derniers mois en déclenchant une nouvelle vague de syndicalisation aux Etats-Unis mais ils peinent encore à transformer leurs victoires en avancées concrètes, quand ils n'en paient pas le prix fort.
Glissement de terrain au Venezuela: les secouristes à la recherche des corps
Quelque 3.000 secouristes étaient à pied d'oeuvre mercredi au Venezuela pour tenter de retrouver les corps de 56 personnes disparues dans le glissement de terrain survenu samedi à Las Tejerias (centre-nord), où l'espoir de retrouver des survivants est quasiment nul.
Iran: tirs de balles et de lacrymogènes lors de nouvelles manifestations
Des balles et du gaz lacrymogène ont été tirés lors de manifestations mercredi en Iran contre la mort de Mahsa Amini, des protestations vivement réprimées depuis près d'un mois dans lesquelles plus de 100 personnes ont péri dont des enfants selon des ONG.
Escroquerie de frais de campagne: trois ans de prison avec sursis probatoire requis contre Claude Guéant
Trois ans d'emprisonnement avec sursis probatoire ont été requis mercredi à Nanterre contre Claude Guéant, jugé pour escroquerie concernant ses frais de campagne législative 2012. L’ex-ministre de l’Intérieur, contestant les accusations, a exprimé un sentiment "de très grandes injustices".
Iran: nouvelles manifestations, tirs de gaz lacrymogène à Téhéran
Les forces de sécurité iraniennes ont tiré mercredi du gaz lacrymogène pour disperser une manifestation d'avocats, selon une ONG, près d'un mois après le début du mouvement de contestation déclenché par la mort de Mahsa Amini et vivement réprimé par les autorités.
Birmanie: nouvelles peines de prison pour Aung San Suu Kyi et un journaliste japonais
Nouvelle journée noire en Birmanie: la junte inflexible a condamné jeudi l'ancienne dirigeante Aung San Suu Kyi et le journaliste japonais Toru Kubota à des peines de prison supplémentaires, dans deux affaires séparées.
En Iran, la police des moeurs fait la loi depuis plus d'une décennie
Depuis plus de dix ans, les Iraniennes qui s'aventurent hors de chez elles, même pour une simple course, le font avec la boule au ventre, de peur de croiser la tristement célèbre police des moeurs.
Pour donner vie à ses bijoux, Tiffany mise sur les artisans comme sur les ingénieurs
Dans l'atelier d'innovation du bijoutier Tiffany à New York, des artisans chevronnés fignolent à la main, sur leur établi en bois, les prototypes de bagues, pendentifs ou bracelets conçus quelques mètres plus loin par des techniciens et ingénieurs.
Fleurs et larmes pour le 20e anniversaire des attentats de Bali
Des centaines de personnes empreintes d'émotion ont commémoré mercredi le vingtième anniversaire des attentats de Bali qui ont fait plus de 200 morts, l'attaque terroriste la plus meurtrière à ce jour dans l'archipel d'Asie du Sud-Est.
Pérou: le président visé par un recours constitutionnel pour corruption
La procureure générale du Pérou a déposé mardi un recours constitutionnel accusant le président Pedro Castillo du délit d'organisation criminelle de corruption, une action pouvant entraîner la suspension du chef d'Etat de gauche.
Glissement de terrain au Venezuela: une "centaine" de morts et plus d'espoir de trouver des survivants
Le glissement de terrain qui s'est produit samedi à Las Tejerias (centre-nord du Venezuela) a fait une "centaine" de morts selon les autorités, les secouristes n'ayant mardi soir plus d'espoir de retrouver des survivants parmi la cinquantaine de disparus.
Royaume-Uni: l'horreur, au procès d'une infirmière accusée d'avoir tué sept nouveau-nés
L'horreur a continué mardi au procès d'une infirmière britannique accusée d'avoir tué sept nouveau-nés et d'avoir tenté d'en tuer 10 autres, le procureur racontant en détail les souffrances infligées aux bébés, souvent des prématurés.
Glissement de terrain au Venezuela: les recherches se pousuivent, infime espoir de trouver des survivants
Quelque 3.000 secouristes continuaient mardi les recherches sur le site de la coulée de boue qui a fait 36 morts à Las Tejerias, au centre-nord du Venezuela, mais avec peu d'espoir de retrouver des survivants parmi les 56 disparus trois jours après le drame.
Iran: des ONG alertent sur la répression dans une ville kurde
Des ONG ont exprimé mardi leur inquiétude quant à l'ampleur de la répression en Iran dans une ville à majorité kurde au coeur de la contestation, alors que des ouvriers de l'industrie pétrolière se mettent en grève en signe de protestation.
Philippines: la Nobel de la paix Maria Ressa en appel devant la Cour suprême
La journaliste philippine Maria Ressa, co-lauréate du prix Nobel de la Paix 2021 condamnée pour diffamation en ligne, fera appel devant la Cour suprême du pays pour éviter de purger une longue peine de prison, a annoncé mardi son avocat.
Aux Etats-Unis, la violence politique s'invite dans les élections de mi-mandat
Une fenêtre brisée, un homme hurlant avec une arme à la ceinture, des menaces de mort quotidiennes... A un mois des élections américaines de mi-mandat, élus et agents électoraux alertent contre le regain de violence les visant.
Glissement de terrain au Venezuela: 36 morts et peu de chances de retrouver des survivants
Les équipes de secours poursuivaient leurs recherches lundi soir mais étaient pessimistes concernant les chances de retrouver des survivants parmi les 56 personnes portées disparues dans une coulée de boue qui a fait au moins 36 morts à Las Tejerias, une petite ville du centre-nord du Venezuela.
La justice britannique étudie la demande d'un référendum d'indépendance en Ecosse
La Cour suprême britannique se penche à partir de mardi sur la demande du gouvernement écossais d'organiser un nouveau référendum d'indépendance, sans l'accord de Londres qui estime qu'un tel scrutin ne peut avoir lieu qu'une fois par génération.
Le sort d'un condamné à mort, qui jure être innocent, se joue à la Cour suprême des Etats-Unis
La Cour suprême des Etats-Unis examine mardi le recours d'un condamné à mort qui clame son innocence et qui avait échappé in extremis à son exécution en 2019 grâce au soutien de stars, d'élus et de millions d'Américains.
Glissement de terrain au Venezuela: les secours à la recherche de 56 disparus
Les équipes de secours étaient toujours à la recherche lundi de 56 personnes portées disparues dans une coulée de boue qui a fait au moins 36 morts à Las Tejerias, une petite ville du centre-nord du Venezuela.
Glissement de terrain au Venezuela : les secours à la recherche des 56 disparus
Les équipes de secours étaient toujours à la recherche lundi des 56 personnes disparues dans une coulée de boue qui a fait au moins 36 morts à Las Tejerias, une petite ville du centre-nord du Venezuela.
Début du nouveau procès d'Harvey Weinstein à Los Angeles
Le nouveau procès pour viols et agressions sexuelles de Harvey Weinstein, l'ex-magnat déchu d'Hollywood, s’est ouvert lundi à Los Angeles avec la sélection des jurés.
France: l'opposant cambodgien Sam Rainsy relaxé de la plainte déposée par Hun Sen
L'opposant historique cambodgien Sam Rainsy, en exil en France et qui était jugé à Paris pour diffamation après deux plaintes dont une émanant du Premier ministre cambodgien Hun Sen, a été relaxé lundi, a constaté une journaliste de l'AFP.
"Football Leaks": Rui Pinto reconnaît avoir recouru au piratage informatique
Lanceur d'alerte à l'origine des révélations "Football Leaks", Rui Pinto a reconnu et regretté avoir obtenu ces informations grâce à des intrusions informatiques illégales réalisées avec "un groupe d'amis", lundi au début de son témoignage devant un tribunal de Lisbonne.
Venezuela: au moins 25 morts et plus de 50 disparus dans un glissement de terrain
Maisons et commerces détruits, coulées de boue, arbres arrachés... au moins 25 personnes sont mortes et 52 sont portées disparues après un glissement de terrain samedi en fin de journée à Las Tejerias, une ville industrielle du centre-nord du Venezuela.
Crash du Rio-Paris: l'heure du procès pour Airbus et Air France
Le 1er juin 2009, le Rio-Paris s'abîmait dans l'Atlantique, emportant les vies de 228 personnes. Plus de treize ans après le crash, Airbus et Air France sont jugés à partir de lundi pour homicides involontaires.
Lanceur d'alerte ou pirate informatique, la source des "Football Leaks" à la barre
Lanceur d'alerte à l'origine des révélations des "Football Leaks", le Portugais Rui Pinto doit commencer lundi matin à témoigner au tribunal de Lisbonne où il est jugé pour piratage informatique et tentative d'extorsion.
Nouveau procès pour Harvey Weinstein à Los Angeles
L'ex-producteur de cinéma déchu Harvey Weinstein, déjà condamné à New York, revient lundi devant la justice américaine pour un nouveau procès pour viols et agressions sexuelles à Los Angeles, lors duquel il encourt jusqu'à 140 ans de prison.
Le naufrage d'un bateau surchargé fait 76 morts au Nigeria
Soixante-seize personnes, soit la quasi-totalité des passagers d'un bateau surchargé, ont trouvé la mort lors de son naufrage vendredi au Nigeria pendant une crue du fleuve Niger, a annoncé dimanche le président Muhammadu Buhari.
Venezuela: 22 morts et plus de 50 disparus dans un glissement de terrain
Maisons et commerces détruite, coulées de boue, arbres arrachées... au moins 22 personnes sont mortes et 52 portées disparues après un glissement de terrain samedi en fin de journée à Las Tejerias, une ville industrielle du centre du Venezuela.